Skip to navigation Skip to main content
  • Hem
  • Moderna beslag

    Byggnadsbeslag

    Bänkkonsoler
    Övriga byggnadsbeslag

    Dörrbeslag

    Behör
    Cylindrar
    Dörrtrycken
    Karmöverföringar
    Låskistor
    Kantreglar
    Slutbleck
    Övriga dörrbeslag

    Fästelement

    Spik
    Träskruv

    Dämpare

    Rotationsdämpare
    Cylinderdämpare

    Fönsterbeslag

    Öglor
    Fönsterlås
    Hörnjärn
    Kantreglar
    Koppelbeslag
    Koppelhakar
    Koppelskruv
    Spanjoletter
    Spanjoletthandtag
    Stormkrok
    Trycken
    Tillbehör

    Gångjärn

    Objecta
    Pianogångjärn
    Dolda gångjärn
    Falsade
    Koppelgångjärn
    Ofalsade
    Garagegångjärn
    Pendelgångjärn
    Rostfria gångjärn
    Svenska gångjärn
    Övriga gångjärn

    Klämskydd

    Gångjärnssida
    Anslagssida
    Tillbehör

    Portbeslag

    Portreglar

    Säkerhetssystem

    Kontaktlister
    Ljusridåer
    Relä
    Signalöverföringssystem

    Skjutdörrsbeslag

    Aluminium NOVA
    Aluminiumsystem
    Stålsystem
    Tillbehör

    Tätningströsklar

    Standarddörrar
    Glasdörrar
    Luftcirkulationsdörrar
    Skjutdörrar
    Socklar
    Tillbehör

    Metallbyggnadsbeslag

    Reglar
    Insticksspanjoletter
    Övriga metallbyggnadsbeslag

    Aluminiumprofiler

    Inredningsbeslag

    Ledstångsbeslag

    Skjutgrindsbeslag

  • Kulturbeslag

    Danska produkter

    Anverfer
    Dører
    Dörrtrycken och tillbehör
    Hængsel
    Hengsler
    Hjørnebånd
    Hjørnejern
    Midterhængsel
    Rumpestabel
    Stormjern
    Vindusbeslag
    Vinkelhængsel
    Vrider

    Dörrbeslag

    Dörrtrycken och tillbehör
    Draghandtag och dörrknoppar
    Låskistor
    Utanpåliggande gångjärn för dörrar
    Övriga lås
    Övriga dörrbeslag

    Fönsterbeslag

    Fönsterlås
    Hörnjärn för fönster
    Stormkrokar
    Stängnings- och uppställningsbeslag för inåtgående fönster
    Stängnings- och uppställningsbeslag för utåtgående fönster
    Innanfönsterbeslag
    Utanpåliggande vinkelgångjärn m.m. för fönster
    Övriga fönsterbeslag

    Lyftgångjärn för ofalsade dörrar fönster och skåpluckor.

    Ofalsade lyftgångjärn 2½" till 2¾"
    Ofalsade lyftgångjärn 3" till 3½"
    Ofalsade lyftgångjärn 4" till 4½"
    Ofalsade lyftgångjärn 5"
    Ofalsade lyftgångjärn 6"

    Lyftgångjärn för överfalsade dörrar fönster och skåpluckor

    Överfalsade lyftgångjärn 2¼" till 2¾"
    Överfalsade lyftgångjärn 3" till 3½"
    Överfalsade lyftgångjärn 4" till 4½"

    Fästelement

    Skruv och spik

    Krokar

    Lås med tillbehör

    Reglar

    Skåpbeslag

    Verktyg

    Övriga gångjärn

    "Franska" gångjärn för ofalsade dörrar fönster och skåpluckor

  • Om oss
  • Kontakta oss
Hem Moderna beslag Skjutdörrsbeslag Stålsystem T750 Gängad bärplatta T750
Dubbelkonsol ställbar T750
Dubbelkonsol ställbar T750
Back to products
Golvskena Alu 20 kapad L=2000mm
Golvskena Alu 20 kapad L=2000mm
Gängad bärplatta T750 - Bild 1
Gängad bärplatta T750 - Bild 2
Förstora
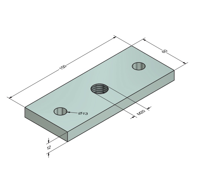
Gängad bärplatta T750
Gängad bärplatta T750 - Bild 2

Gängad bärplatta T750

Elförzinkad
10st

Intresserad av denna produkten? Kontakta oss!

Kontakta oss

    Artikelnr: 11169 Kategori: T750
    Dela:

    Liknande produkter

    Konsol sidoställbar T750

    Artikelnr: 47169
    Läs mer

    Dubbelkonsol komplett T750

    Artikelnr: 25169
    Läs mer

    Skenstopp T750

    Artikelnr: 12169
    Läs mer

    Hängrulle stål låg Marathon T750

    Artikelnr: WK750-Marathon
    Läs mer

    Hängrulle stål Normal T750

    Artikelnr: W750
    Läs mer

      Kontakta oss

      Kontakta oss så berättar vi mer!

        Telefon

        033-13 00 20

        Mailadress

        kontor@berjo.se

        Besök oss

        Stora vägen 50 A
        513 33 Fristad

        Sidor

        • Hem
        • Produkter
        • Om oss
        • Kontakta oss

        Produkkategorier

        • Klämskydd
        • Tätningströsklar
        • Dolda gångjärn
        • Svenska gångjärn
        • NOVA 80

        Företaget

        AB Berjo Material är ett beslags och komponentföretag som i huvudskap vänder sig till tillverkningsindustrin och föreskrivande led.

        Org-nummer: 556876-5076

        Copyright © 2026 AB Berjo Material. All rights reserved​​ - Integritetspolicy
        Börja skriva för att se produkter du letar efter.
        Close
        • Hem
        • Moderna beslag
          • Kategorier
            • Aluminiumprofiler
            • Byggnadsbeslag
            • Dörrbeslag
            • Fästelement
            • Fönsterbeslag
            • Gångjärn
            • Inredningsbeslag
            • Klämskydd
            • Portbeslag
            • Säkerhetssystem
            • Skjutdörrsbeslag
            • Skjutgrindsbeslag
            • Spanjoletter
            • Tätningströsklar
        • Byggnadsvård
          • Kategorier
            • Danska produkter
            • Dörrbeslag
            • Övriga dörrbeslag
            • Dörrtrycken och tillbehör
            • Draghandtag och dörrknoppar
            • ”Franska” gångjärn för ofalsade dörrar fönster och skåpluckor
            • Fästelement
            • Fönsterbeslag
            • Hörnjärn för fönster
            • Innanfönsterbeslag
            • Krokar
            • Lås med tillbehör
            • Lyftgångjärn för ofalsade dörrar fönster och skåpluckor
            • Lyftgångjärn för överfalsade dörrar fönster och skåpluckor
            • Övriga fönsterbeslag
            • Övriga gångjärn
            • Reglar
            • Skåpbeslag
            • Skruv och spik
            • Stängnings- och uppställningsbeslag för inåtgående fönster
            • Stängnings- och uppställningsbeslag för utåtgående fönster
            • Utanpåliggande gångjärn för dörrar
            • Utanpåliggande vinkelgångjärn m.m. för fönster
            • Verktyg
        • Om oss
        • Kontakta oss

        Vi använder cookies för att se till att vi ger dig den bästa upplevelsen på vår webbplats. Om du fortsätter att använda denna webbplats kommer vi att anta att du godkänner detta.
        Mer information Mer information OK